Y1大型游乐设施修理【新训】试卷27
第1题:游乐设施电缆一般应该采用( )方式敷设。
A、架空敷设
B、穿管敷设
C、地埋敷设
第2题:制动闸衬的磨损量应不大于原厚度的( )。
A、30%
B、40%
C、50%
第3题:《GB 8408-2018 大型游乐设施安全规范》重要的轴,销轴及I级和工级焊缝安全系数应( )
A、大于等于3.5
B、大于等于4.5
C、大于等于5
D、大于等于8
第4题:大型游乐设施作业人员考核发证工作遵循( ),公开、高效的原则。
A、可靠
B、公平
C、便民
第5题:《GB/T18168-2017水上游乐设施通用技术条件》水上游乐设施入通道为斜坡时,坡度应不大于__,有防滑措施时应不大于__。
A、1:5,1:3
B、1:5,1:4
C、1:6,1:3
D、1:6,1:4
第6题:GB8408-2018《大型游乐设施安全规范》规定设有蓄能器的液压系统,应有( ),同样的内容也应标注在液压原理图上。
A、文字说明
B、文字警告标识
C、图示说明
第7题:漂流筏( )应设有防滑措施。( )《GB/T 18168-2017水上游乐设施通用技术条件》
A、出口
B、入口
C、踏脚平面
D、其他选项都是
第8题:对于边运行边上下乘客的游乐设施,乘人部分的进出口不应高出站台( )mm。
A、200
B、300
C、400
D、500
第9题:大型游乐设施存在严重事故隐患,无改造、修理价值,或者达到安全技术规范规定的其他报废条件的,大型游乐设施( )单位应当履行报废义务,采取必要措施消除该大型游乐设施的使用功能,并向原登记的大型游乐设施安全监督管理部门办理使用登记证书注销手续。
A、安装
B、制造
C、使用
D、修理
第10题:大型游乐设施( )人员、检测人员和作业人员应当按照国家有关规定取得相应资格,可从事相关工作。
A、经营管理
B、安全管理
C、营销策划
第11题:国家对大型游乐设施实行( )管理。大型游乐设施目录由国务院负责大型游乐设施安全监督管理的部门制定,报国务院批准后执行。
A、总体
B、分类
C、目录
第12题:轴上裂纹的深度超过轴直径的( )时,轴应报废。
A、5%
B、10%
C、15%
第13题:重要立柱对水平面的垂直度公差应不大于( )。
A、1/800
B、1/1000
C、1/1100
第14题:《GB/T 18168-2017水上游乐设施通用技术条件》重要支撑构件应进行__计算。
A、强度
B、刚度
C、稳定性
D、其他选项都对
第15题:速度为10km/h的碰碰车为( )级设备。
A、A
B、B
C、C
D、D
第16题:酸性蓄电池所用的电解液浓度一般为( )%的硫酸水溶液。
A、20-27
B、37-40
C、27-37
D、39-45
第17题:四大常规无损检测检测方法包括超声波检测、磁粉检测、渗透检测。
A、射线检测
B、涡流检测
C、声发射检测
D、TOFD
第18题:某造纸企业有锅炉、烘缸、空气罐、升降机、厂车等特种设备35台,各类气瓶50只,某日接到区县特种设备监督管理部门的通知,要求其配置专职安全管理员,并需要取得资格证书。根据以上信息,你认为正确的是( )。
A、需要配置
B、不需要配置
C、需要专职安全管理员但不需资格证书
D、单位需要取得安全管理资格证书
第19题:液压系统中的油泵属于__元件。
A、动力元件
B、执行元件
C、控制元件
D、辅助元件
第20题:按照《特种设备安全监察条例》规定,下列说法不正确的是( )。
A、对有证据表明不符合安全技术规范要求的或者有其他严重事故隐患的特种设备,能耗严重超标的特种设备,予以查封或者扣押。
B、对迟报、漏报、瞒报或者谎报事故、妨碍事故救援或者事故调查处理的,应当依法给予降级或者撤职的处分,触犯刑律的,依法刑法关于受贿罪、滥用职权罪、玩忽职守罪或者其他罪的规定,依法追究刑事责任。
C、特种设备安全监督部门应当对发生事故的原因进行分析,并根据特种设备的管理和技术特点、事故情况对相关安全技术规范进行评估,需要制定或者修订相关安全技术规范的,应当及时制定或者修订。
D、特种设备安全监督部门应当在有关地方人民政府的领导下,组织开展特种设备事故调查处理工作。
第21题:“四不放过”的原则是事故处理的基本原则之一,所谓“四不放过”,下列说法错误的是( )。
A、事故原因不查清楚不放过
B、肇事者没追究、当事者没处理不放过
C、防范措施没有落实不放过
第22题:油马达是液压系统中的( )装置。
A、动力
B、控制
C、执行
D、辅助
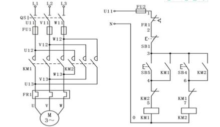
第23题:下图中()之间具有电气互锁功能。

A、KM1,SB2
B、KM1,KM2
C、FR1,KM2
D、SB5,KM2
第24题:持证作业人员发现事故隐患或者其他不安全因素未立即报告造成特大故的,吊销《大型游乐设施作业人员证》,持证人( )年内不得再次申请《大型游乐设施作业人员证》。
A、5年
B、3年
C、4年
D、终生
第25题:在滑道内滑行的车的最大刹车距离应不大于( )。
A、6m
B、7m
C、8m
第26题:大型游乐设施和游乐设施的定期检验由( )认可的检验机构进行。
A、中华人民共和国建设部
B、省(市)质量技术监督局
C、省(市)劳动局
D、国家市场监督管理局总局
第27题:复审不合格、逾期未复审的,其《大型游乐设施作业人员证》予以( )。
A、吊销
B、注销
C、撤销
D、取消
第28题:大型游乐设施使用单位应当向负责大型游乐设施安全监督管理的部门办理使用登记。( )应当置于或者附着于该大型游乐设施的显著位置。
A、使用证书
B、登记证号
C、登记标志
D、登记机关名称
第29题:大型游乐设施使用单位应当在大型游乐设施投入使用前或者投入使用后三十日内,向负责 大型游乐设施安全监督管理的部门办理使用登记,取得使用登记证书。( )应当置于该大型游乐设施的显著位置。
A、使用证书
B、登记证号
C、登记标志
D、登记机关名称
第30题:大型游乐设施安装、改造、修理( ),安装、改造、修理的施工单位应当在验收后三十日内将相关技术资料和文件移交大型游乐设施使用单位。
A、结束后
B、竣工后
C、施工后
第31题:钢结构焊缝气孔缺陷,下列修理方法及做法正确的是( )。
A、表面气孔缺陷,若深度不超过0.5mm时,只需用砂轮打磨处理,不需要补焊
B、气体是产生气孔的原因,但主要是焊接材料和焊接工艺方面原因。
C、气孔是气体残留在焊缝中的空穴,可分为外部气孔和内部气孔
D、内部的超标气孔缺陷,应根据探伤结果确定缺陷部位和返修位置
第32题:使用大型游乐设施未按照规定办理使用登记的,责令限期改正逾期未改正的,责令停止使用有关特种设备,处( )以上( )以下罚款。
A、二千元
B、一万元
C、十万元
D、一百万
第33题:大型游乐设施使用单位应当建立特种设备安全技术档案。安全技术档案应当包括以下内容(一)特种设备的设计文件、产品合格证明、安装及使用维护保养说明、监督检验证明等相关技术资料和文件( )。
A、特种设备的定期检验和定期自行检查记录
B、特种设备的日常使用状况记录
C、特种设备及其附属仪器仪表的维护保养记录
D、特种设备主管部门检查记录
第34题:大型游乐设施生产、经营、使用单位( )被查封、扣押的特种设备或者其主要部件的,责令改正,处五万元以上二十万元以下罚款情节严重的,吊销生产许可证,注销特种设备使用登记证书。
A、擅自动用
B、调换
C、隐藏
D、转移
第35题:大型游乐设施生产、经营、使用单位应当按照国家有关规定配备特种设备( ),并对其进行必要的安全教育和技能培训。
A、安全管理人员
B、作业人员
C、检验人员
D、检修人员
第36题:大型游乐设施生产、使用单位应当建立健全特种设备( )和( )。
A、安全责任制度
B、岗位安全管理制度
C、节能责任制度
D、清洁制度
第37题:大型游乐设施检验、检测机构及其检验、检测人员应当依法为特种设备生产、经营、使用单位提供( )的检验、检测服务。
A、安全
B、及时
C、可靠
D、便捷
第38题:大型游乐设施的生产、设计、制造、安装、改造、修理、( )和特种设备安全的监督管理,适用本法。
A、使用
B、运输
C、经营
D、检测
第39题:大型游乐设施发生事故后,事故发生单位应当按照应急预案采取措施,( ),保护事故现场和有关证据,并及时向事故发生地县级以上人民政府负责特种设备安全监督管理的部门和有关部门报告。
A、组织抢救
B、疏散人群
C、防止事故扩大
D、减少人员伤亡和财产损失
第40题:大型游乐设施存在严重事故隐患,无改造、修理价值,或者达到安全技术规范规定的其他报废条件,未依法履行报废义务,并办理使用登记证书注销手续的,责令停止使用有关特种设备,处( )以上( )以下罚款。
A、2000元
B、3万元
C、10万元
D、30万元
第41题:大型游乐设施存在( ),特种设备使用单位应当依法履行报废义务,采取必要措施消除该特种设备的使用功能,并向原登记的负责特种设备安全监督管理的部办理使用登记证书注销手续。
A、严重事故隐患
B、无改造、修理价值
C、达到安全技术规范规定的其他报废条件的
D、可继续使用情况
第42题:大型游乐设施出厂时,应在特种设备显著位置设置( )及其说明。
A、产品铭牌
B、产品使用要求
C、安全警示标志
D、产品安装要求
第43题:大型游乐设施出厂时,应当随附安全技术规范要求的( )等相关技术资料和文件。
A、设计文件
B、产品质量合格证明
C、安装及使用维护保养说明
D、监督检验证明
第44题:《特种设备使用管理规则 》(TSG 08-2017)规定,特种设备作业人员应当取得相应的特种设备作业人员资格证书,其主要职责包括( )。
A、严格执行特种设备有关安全管理制度,并且按照操作规程进行操作;进行经常性维护保养,对发现的异常情况及时处理并且记录;
B、照规定填写作业、交接班等记录,参加安全教育和技术培训
C、作业过程中发现事故隐患或者其他不安全因素,应当立即采取紧急措施,并且按照规定的程序向特种设备安全管理人员和单位有关负责人报告;
D、参加应急演练,掌握相应的应急处置技能
第45题:游乐设施在正常运行过程中应没有异常的( )等现象。
A、振动
B、冲击
C、发热
D、声响
第46题:《GB/T18168-2017水上游乐设施通用技术条件》以下漂流河宽度符合要求的是( )。
A、2.0m
B、2.4m
C、2.6m
D、3.0m
第47题:液压油除作为动力传递物质外,还有( )的作用。
A、润滑
B、冷却
C、防腐
D、防锈
第48题:钢丝绳的断丝、磨损等缺陷可以通过( )等方法进行检验。
A、目测
B、测量
C、探伤
D、试验
第49题:断路器能实现( )保护。
A、过载
B、欠压
C、过压
D、过流
第50题:某游乐场游乐设备高空飞翔运行过程中突发故障,数名游客高空滞留达3小时,导致该事件发生的原因有( )不够完善。
A、财务管理制度
B、岗位责任管理制度
C、隐患治理制度
D、应急救援预案
第51题:游乐设施发生故障后,应有疏导游客的措施。( )
A、正确
B、错误
第52题:游乐设施经过大修或重要的设计变更,也应进行新的安全评估、风险评价程序。( )
A、正确
B、错误
第53题:液压系统座舱上升或停止时振动较大的排除方法有把压力调低检修液压缸检查缓冲件。( )
A、正确
B、错误
第54题:液压缓冲器能吸收的撞击能量比绳簧缓冲器要小,且有较大的反弹力。( )
A、正确
B、错误
第55题:根据《大型游乐设施安全管理与作业人员培训教程》带式制动器适合于中、小载荷的机械及人力操纵的场合。( )
A、正确
B、错误
第56题:根据《特种设备安全监察条例》预防和调查处理规定:特种设备事故造成30人以上死亡,或者100人以上重伤(包括急性工业中毒,下同),或者1亿元以上直接经济损失的为特别重大事故。
A、正确
B、错误
第57题:根据《特种设备事故调查处理导则》TSG03—2015事故报告与要求:事故发生单位的负责人接到事故报告后,应当于1小时内向事故发生地特种设备安全监管部门和有关部门报告。
A、正确
B、错误
第58题:根据《特种设备事故调查处理导则》TSG03—2015事故报告与要求:特种设备发生事故后,事故发生单位应当按照规定启动应急预案,采取措施组织抢救,防止事故扩大,减少人员伤亡和财产损失,履行保护事故现场和有关证据的义务。
A、正确
B、错误
第59题:《大型游乐设施安全监察规定》规定,制造单位应当明示大型游乐设施整机设计使用期限,但受力部件则不需要。( )
A、正确
B、错误
第60题:运营使用单位应当将登记标志置于大型游乐设施进出处等显著位置。( )
A、正确
B、错误
第61题:结构件需焊修时,所用的材料、焊条等应符合原结构件的要求,焊接质量应符合要求。( )
A、正确
B、错误
第62题:B、C级首台(套)游乐设施大型式试验与验收检验由国家特种设备安全监察机构授权的所在地区监督检验机构并进行。( )
A、正确
B、错误
第63题:特种设备作业人员在作业过程中发现事故隐患或者其他不安全因素,应当立即向特种设备安全管理人员报告。( )
A、正确
B、错误
第64题:过山车的工作原理是用牵引装置把车体牵引至最高处,获得势能,靠惯性滑行完成全程。( )
A、正确
B、错误
第65题:根据《大型游乐设施安全管理与作业人员培训教程》过电压保护通常是在电磁线圈两端井联一个电阻、电阻串电容或极管串电阻,以形成个放电回路,实现过电压保护。( )
A、正确
B、错误
第66题:根据《大型游乐设施安全管理 与作业人员培训教程》过电流保护常用过电流继电器实现。( )
A、正确
B、错误
第67题:高度15m以上的室外游乐设施,应设风速计。( )
A、正确
B、错误
第68题:特种设备包括其附属的安全附件、安全保护装置。( )
A、正确
B、错误
第69题:观览车、过山车等高度超过15m的游乐设施应装设避雷针。( )
A、正确
B、错误
第70题:根据《大型游乐设施安全管理与作业人员培训教程》广泛应用于传递动力的螺旋传动中的梯形螺纹,加工工艺好,牙根强度高,但螺旋副对中性精度差。( )
A、正确
B、错误
第71题:特种设备安装、改造、修理的施工单位应当在施工前将拟进行的特种设备安装、改造、修理情况书面告知区级特种设备安全监督管理的部门。( )
A、正确
B、错误
第72题:在复审期间内中断从事持证项目超过12个月的特种设备作业人员复审不合格。( )
A、正确
B、错误
第73题:座席的内部或外部等凡乘客可能接触到的地方,不允许有外露的锐边、尖角、毛刺、危险突出物及可能引起人员受伤的物体。( )
A、正确
B、错误
第74题:游乐设施维修保养是个简单容易的事情,作业人员可以不用取得市场监督行政部门颁发的《特种设备作业人员证》,操作者本人就可从事日常维修保养工作。( )
A、正确
B、错误
第75题:《特种设备安全法》规定:发生特种设备事故,在事故调查处理期间擅离职守的,应对单位处五万元以下罚款。( )
A、正确
B、错误
第76题:根据《特种设备安全监察条例》预防和调查处理规定:大型游乐设施高空滞留人员1小时以上12小时以下的为一般事故。
A、正确
B、错误
第77题:根据《特种设备安全监察条例》预防和调查处理规定:客运索道高空滞留人员3.5小时以上12小时以下的为一般事故。
A、正确
B、错误
第78题:根据《特种设备安全监察条例》预防和调查处理规定:特种设备事故造成3人以下死亡,或者10人以下重伤,或者1万元以上1000万元以下直接经济损失的为一般事故。
A、正确
B、错误
第79题:根据《特种设备安全监察条例》预防和调查处理规定:特种设备事故造成3人以上10人以下死亡,或者10人以上50人以下重伤,或者1000万元以上5000万元以下直接经济损失的为较大事故。
A、正确
B、错误
第80题:根据《特种设备安全监察条例》预防和调查处理规定:客运索道、大型游乐设施高空滞留人员12小时以上的为较大事故。
A、正确
B、错误
第81题:根据《特种设备安全监察条例》预防和调查处理规定:客运索道、大型游乐设施高空滞留100人以上并且时间在24小时以上48小时以下的为重大事故。
A、正确
B、错误
第82题:根据《特种设备安全监察条例》预防和调查处理规定:特种设备事故造成10人以上30人以下死亡,或者50人以上100人以下重伤,或者5000万元以上1亿元以下直接经济损失的为重大事故。
A、正确
B、错误
第83题:根据《特种设备安全监察条例》预防和调查处理规定:客运索道、大型游乐设施高空滞留100人以上并且时间在48小时以上的为特别重大事故。
A、正确
B、错误
第84题:《特种设备安全监察条例》规定:按照安全技术规范的要求,应当进行型式试验的特种设备产品、部件或者试制特种设备新产品、新部件、新材料,必须进行型式试验和能效测试。()
A、正确
B、错误
第85题:《特种设备安全监察条例》规定:特种设备不符合能效指标的,不得继续使用。( )
A、正确
B、错误
第86题:《特种设备安全监察条例》规定:特种设备不符合能效指标的,特种设备使用单位应当采取相应措施进行整改。( )
A、正确
B、错误
第87题:《特种设备安全监察条例》规定:县以上地方负责特种设备安全监督管理的部门在本行政区域内也可以组织监督抽查,但是要防止重复抽查。( )
A、正确
B、错误
第88题:《特种设备安全监察条例》规定:特种设备检验检测机构对检验检测结果、鉴定结论负责,检验检测人员不对结果、鉴定结论负责。( )
A、正确
B、错误
第89题:《特种设备安全监察条例》规定:特种设备检验检测人员对检验检测结果、鉴定结论负责,检验检测机构不对结果、鉴定结论负责。( )
A、正确
B、错误
第90题:《特种设备安全监察条例》规定:检验检测人员从事检验检测工作,必须在特种设备检验检测机构执业,可同时在两个以上检验检测机构中执业。( )
A、正确
B、错误
第91题:《特种设备安全监察条例》规定:检验检测人员从事检验检测工作,必须在特种设备检验检测机构执业,但不得同时在两个以上检验检测机构中执业。( )
A、正确
B、错误
第92题:《特种设备安全监察条例》规定:特种设备使用单位设立的特种设备检验检测机构经国务院特种设备安全监督管理部门核准,负责核准范围内的特种设备定期检验工作。( )
A、正确
B、错误
第93题:《特种设备安全监察条例》规定:特种设备使用单位设立的特种设备检验检测机构经国务院特种设备安全监督管理部门核准,负责本单位核准范围内的特种设备定期检验工作。( )
A、正确
B、错误
第94题:《特种设备安全监察条例》规定:从事《特种设备安全监察条例》规定的委托检验的特种设备检验检测机构,应当经国务院特种设备安全监督管理部门核准。( )
A、正确
B、错误
第95题:过载保护要求不受电动机短时过载冲击电流或短路电流的影响而瞬时动作,通常采用热继电器作过载保护元件。( )
A、正确
B、错误
第96题:移动式大型游乐设施在首次安装投入使用前或者投入使用后30日内,运营使用单位应当向直辖市或者设区的市的质量技术监督部门登记,以后重新安装则不需要登记。( )
A、正确
B、错误
第97题:《大型游乐设施安全监察规定》规定,重大修理过程,必须经特种设备检验机构按照安全技术规范的要求进行重大修理监督检验。( )
A、正确
B、错误
第98题:公共场所使用的特种设备的安全监察不适用《特种设备安全监察条例》。( )
A、正确
B、错误
第99题:石化生产使用的特种设备的安全监察不适用《特种设备安全监察条例》。( )
A、正确
B、错误
第100题:风景景区使用的特种设备的安全监察不适用《特种设备安全监察条例》。( )
A、正确
B、错误