G2电站锅炉司炉【新训】试卷25
第1题:下图是( )锅炉

A、焦炉煤气
B、循环流化床
C、燃气
D、余热
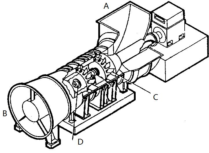
第2题:在轴流式风机结构图中,B是( )

A、出风口
B、进风口
C、叶轮
D、动叶调节装置
第3题:下图是轴流式风机P/Q曲线,当风机工作在C区域时能( )

A、稳定运行
B、喘振
C、停止运行
D、锅炉熄火
第4题:锅炉管道选用钢材主要根据在金属使用中的( )来确定。
A、强度
B、温度
C、压力
D、硬度
第5题:轴承主要承受( )载荷。
A、轴向
B、径向
C、垂直
D、轴向、径向和垂直
第6题:根据《特种设备安全法》第二十七条 特种设备销售单位应当建立特种设备检查验收和销售( )制度。
A、记录
B、报告
C、清单
D、上报
第7题:根据《特种设备安全法》第二十六条 国务院负责特种设备安全监督管理的部门发现特种设备存在应当召回而未召回的情形时,应当( )。
A、吊销其特种设备生产许可证
B、予以经济处罚
C、责令特种设备生产单位召回
D、予以全行业通报
第8题:根据《特种设备安全法》第二十六条 因生产原因造成特种设备存在危及安全的同一性缺陷的,特种设备生产单位应当立即( ),主动召回。
A、停止生产
B、上报国务院负责特种设备安全监督管理的部门
C、通知经营和使用单位
D、报告县级以上负责特种设备安全监督管理的部门
第9题:某热电厂的一台220t/h锅炉,由于锅炉房起火,锅炉钢柱遇热屈服强度下降发生弯曲变形,致炉整体后倾l°,后移5m,汽包下沉2m,所有受热面下坍弯曲变形,锅炉报废。锅炉易于发生火灾的部位不包括。
A、输煤皮带;
B、过热器;
C、燃油系统;
D、空气预热器。
第10题:某厂#3炉锅炉前墙水冷壁有一直管道爆裂,有长期过热现象,检修后重新启动运行,不久后同一炉管距原爆点上方30米处再次爆开。据此判断爆管原因最可能是。
A、焊接质量问题;
B、该管道内壁存在焊瘤或其他异物;
C、该管道材质不合格;
D、该管道所处位置容易磨损。
第11题:某厂1000MW #6机组负荷964MW,突发引风机A喘振报警,炉膛压力快速上升,触发炉膛压力高高保护动作锅炉MFT。分析引风机喘振原因为:机组进行超净改造时烟气沿程阻力增大,但没有相应改造引风机,使引风机工作点接近不稳定区域。轴流风机易于喘振的工况是。
A、高压头,低风量;
B、高压头,高风量;
C、低压头,低风量;
D、低压头,高风量。
第12题:根据《特种设备安全法》第三十五条 特种设备安全技术档案应当包括以下内容:(二)特种设备的定期检验和定期( )记录;
A、调试
B、试验
C、测试
D、自行检查
第13题:根据《特种设备安全法》第三十五条 特种设备安全技术档案应当包括以下内容:(四)特种设备及其附属仪器仪表的( )记录;
A、运行情况
B、运行参数
C、维护保养
D、使用
第14题:根据《特种设备安全法》第三十五条 特种设备安全技术档案应当包括以下内容:(三)特种设备的( )使用状况记录;
A、日常
B、月度
C、年度
D、每周
第15题:《特种设备使用管理规则 》(TSG 08-2017)规定,特种设备整体移装的,使用单位应当进行( )。
A、整机自行检查
B、申报监督检验
C、申报定期检验
D、安全评估
第16题:根据《特种设备安全法》第三十五条 特种设备( )应当建立特种设备安全技术档案。
A、使用单位
B、安全管理部门
C、检验检测机构
D、安全管理责任人
第17题:FT代表灰的()。
A、软化温度;
B、变形温度;
C、熔化温度;
D、炉内火焰燃烧温度。
第18题:根据《特种设备安全法》第三十一条 进口特种设备,应当向进口地负责特种设备安全监督管理的部门履行提前( )义务。
A、申报
B、备案
C、申请
D、告知
第19题:根据《特种设备安全法》第三十三条 特种设备使用单位应当在特种设备( )或者投入使用后三十日内,向负责特种设备安全监督管理的部门办理使用登记,取得使用登记证书。登记标志应当置于该特种设备的显著位置。
A、安装前
B、安装完毕
C、安装监检合格
D、投入使用前
第20题:根据《特种设备安全法》:特种设备的进出口检验,应当遵守( )的法律、行政法规。
A、供需双方国家和地区特种设备相关
B、有关进出口商品检验
C、约定的
D、使用地
第21题:根据《特种设备安全法》第三十条 进口的特种设备应当符合我国安全技术规范的要求,并经( );需要取得我国特种设备生产许可的,应当取得许可。
A、当地进出口管理部门备案
B、当地负责特种设备安全监督管理的部门批准
C、当地安全生产管理部门批准
D、检验合格
第22题:《中华人民共和国特种设备安全法》规定:特种设备生产、经营、使用单位及其( )对其生产、经营、使用的特种设备安全负责。
A、管理人员
B、主要负责人
C、一般负责人
D、操作人员
第23题:根据《特种设备安全法》第二十八条 特种设备出租单位不得出租未取得许可生产的特种设备或者国家明令淘汰和已经报废的特种设备,以及未按照安全技术规范的要求进行( )和未经检验或者检验不合格的特种设备。
A、试运行
B、维护保养
C、型式试验
D、报备
第24题:根据《特种设备安全法》第二十九条 特种设备在出租期间的使用管理和维护保养义务由特种设备( )承担,法律另有规定或者当事人另有约定的除外。
A、使用单位
B、检验机构
C、出租单位
D、产权单位
第25题:《中华人民共和国特种设备安全法》规定,特种设备使用单位应当向负责特种设备安全监督管理的部门办理使用登记。( )应当置于或者附着于该特种设备的显著位置。
A、使用证书
B、登记证号
C、登记标志
D、登记机关名称
第26题:在下面锅炉结构图中E是( )

A、水平烟道
B、遮焰角
C、空气预热器
D、冷灰斗
E、过热器
第27题:在下面灰的熔融性实验图中A表示( )

A、变形温度
B、融化温度
C、熔融温度
第28题:下面锅炉设备布置图中,编号14表示的是( )

A、密封风机炉
B、一次风机
C、送风机
D、引风机
第29题:水的温度越高,水中含氧量( )。
A、越大
B、越小
C、不变
D、等于零
第30题:下列自然循环锅炉汽水流程图中C表示( )

A、给水泵
B、省煤器
C、过热器
D、水冷壁
E、锅炉
F、下降管
第31题:受热面钢管选用奥氏体钢,就能防止任何一种腐蚀。
A、正确
B、错误
第32题:在锅炉过热器的传热过程中,设法减小烟气侧的换热系数,对增强传热最有利。
A、正确
B、错误
第33题:在换热器中,当冷热流体的进出口温度一定时,采用逆流布置时传热效果差。
A、正确
B、错误
第34题:在过流断面面积和其它条件相同时,流体流过椭圆管比流过圆管时的沿程阻力损失大。
A、正确
B、错误
第35题:直流喷燃器的一、二次风是相互间隔地从圆形或矩形喷口喷出,其射流不旋转,扩散角很小,但射程较远。
A、正确
B、错误
第36题:锅炉受热面的外部腐蚀有高温腐蚀以及低温腐蚀。
A、正确
B、错误
第37题:应力是产生任何裂纹的必要条件,没有应力就不会产生裂纹。
A、正确
B、错误
第38题:《特种设备使用管理规则》(TSG08-2017)规定没有产品数据表的特种设备,登记机关可以参照已有特种设备产品数据表的格式,制定其特种设备产品数据表,由登记机关 根据产品出厂的相应资料填写。( )
A、正确
B、错误
第39题:GB13271-2014《锅炉大气污染物排放标准》规定新建锅炉房的烟囱周围半径100m距离内有建筑物时,其烟囱应高出最高建筑物3m以上。
A、正确
B、错误
第40题:《特种设备使用管理规则》(TSG08-2017)规定登记机关收到使用单位使用登记申请,不予登记的,出具不予登记的决定,并且书面告知充分的理由。( )
A、正确
B、错误
第41题:《特种设备使用管理规则》(TSG08-2017)规定登记机关收到使用单位提交的使用登记申请资料后,申请资料不齐或者不符合规定时,应当一次性告知需要补正的全部内容。( )
A、正确
B、错误
第42题:管子外壁加装肋片,使热阻增加,传热量减少。
A、正确
B、错误
第43题:锅炉对流过热器的汽温特性是:负荷增加时,蒸汽温度降低。
A、正确
B、错误
第44题:锅炉受热面结渣时,受热面内工质吸热减少,以致烟温降低。
A、正确
B、错误
第45题:过热器逆流布置时,由于传热平均温差大,传热效果好,因而可以增加受热面。
A、正确
B、错误
第46题:《中华人民共和国特种设备安全法》规定:特种设备包括其附属的安全附件、安全保护装置。
A、正确
B、错误
第47题:《中华人民共和国特种设备安全法》明确,为了加强特种设备安全工作,预防特种设备事故,保障人身和财产安全,促进经济社会发展,制订本法。
A、正确
B、错误
第48题:《中华人民共和国特种设备安全法》规定,特种设备发生事故后,事故发生单位应当按照应急预案采取措施,组织抢救,疏散人群,防止事故扩大,减少人员伤亡和财产损失,稀释空气,保护事故现场和有关证据,并及时向事故发生地县级以上人民政府负责特种设备安全监督管理的部门和有关部门报告。
A、正确
B、错误
第49题:《中华人民共和国特种设备安全法》中规定,特种设备使用单位使用未取得相应资格的人员从事特种设备安全管理、检测和作业的,应承担的法律责任是责令限期改正;逾期未改正的,责令停止使用有关特种设备或者停产停业整顿,处一万元以上五万元以下罚款。( )
A、正确
B、错误
第50题:《中华人民共和国特种设备安全法》规定:特种设备作业人员在作业过程中发现事故隐患或者其他不安全因素,应当立即向特种设备安全管理人员报告。( )
A、正确
B、错误
第51题:《中华人民共和国特种设备安全法》中所称的特种设备是指对人身和财产安全有较大危险性的锅炉、压力容器(含气瓶)、压力管道、电梯、起重机械、客运索道、大型游乐设施、场(厂)内专用机动车辆,以及法律、行政法规规定适用本法的其他特种设备。( )
A、正确
B、错误
第52题:机械式油喷嘴也需要雾化介质。
A、正确
B、错误
第53题:主汽压的控制与调节以改变锅炉蒸发量作为基本的调节手段,只有在危急情况或其他一些特殊情况下,才能用增减汽机负荷的方法来调节。
A、正确
B、错误
第54题:有机热载体炉运行时,锅内介质温度虽然很高,但大多不是易燃易爆物质。
A、正确
B、错误
第55题:工作票签发人、工作负责人、锅炉运行操作人员应负锅炉检修工作的安全责任。
A、正确
B、错误
第56题:锅炉是一种受热、承压,有爆炸危险的特种设备。
A、正确
B、错误
第57题:液力偶合器是一种液力传动机构,也是一种变速机械,还能起保护作用。
A、正确
B、错误
第58题:某公司因设备消缺需要,操作工申请锅炉#1火检风机停电,电气操作人员文×和贾×填写停电申请记录,到达配电室,两人确认设备双重名称后将“#1火检风机” 停电。两分钟后接到锅炉灭火通知,立即到风机就地控制柜发现#1火检风机电源指示灯亮, #2火检风机电源指示灯不亮。事后发现配电室到控制柜#1、2火风机电缆接反,造成误停#2火检风机电源,触发锅炉MFT灭火。电气操作人员工作不认真是造成此次事故的直接原因。
A、正确
B、错误
第59题:某公司#1锅炉17点49分主操发现床温下降,判断是锅炉断煤,派人就地检查发现#1号给煤机减速器轴断,立即加大#2给煤机出力,同时关小锅炉供汽阀维持压力。17点54分床温回升,压力上涨过快,造成低安全阀起跳。事件虽然由设备故障引起,但操作人员明显应急处理不当,应对事件负主要责任。
A、正确
B、错误
第60题:300W机组启动中,发电机并网后,负荷加至18MW。发现主蒸汽温度大幅下降,查找发现锅炉一、二级减温水快关阀和调阀在开启状态,总减温水量指示达130th,判断为蒸汽带水,准备汽机打闸时,机组振动大自动跳闸,事故造成汽机推力瓦严重磨损。为防止蒸汽带水,锅炉低负荷期间不应使用减温水。
A、正确
B、错误
第61题:《特种设备使用管理规则》(TSG08-2017)规定流动作业的特种设备,向产权单位所在地的登记机关申请办理使用登记。( )
A、正确
B、错误
第62题:《特种设备使用管理规则》(TSG08-2017)规定移动式(流动式)特种设备,如果无法返回使用登记地进行定期检验的,可以在异地(指不在使用登记地)进行。( )
A、正确
B、错误
第63题:《特种设备使用管理规则》(TSG08-2017)规定为保证特种设备的安全运行,特种设备使用单位应当根据所使用特种设备的类别、品种和特性进行定期自行检查。( )
A、正确
B、错误
第64题:《特种设备使用管理规则》(TSG08-2017)规定使用单位应当根据所使用设备运行特点等,制定操作规程。( )
A、正确
B、错误
第65题:《特种设备使用管理规则》(TSG 08-2017)规定:在使用特种设备时应当保证每班至少有一名持证的作业人员在岗。()
A、正确
B、错误
第66题:空气预热器一般可分为管式和回转式两种,回转式空气预热器又分为二分仓和三分仓两种。
A、正确
B、错误
第67题:锅炉水冷壁吸收炉膛高温火焰的辐射热,使水变为过热蒸汽。
A、正确
B、错误
第68题:锅炉在不同的稳定工况下,参数之间的变化关系为锅炉的静态特性。
A、正确
B、错误
第69题:中速磨煤机存在的主要问题是:对原煤带进的铁、木块、石块敏感,运行中容易引起磨煤机振动,石子煤排放量大等故障。
A、正确
B、错误
第70题:锅炉给水温度降低会导致燃料量增加,主汽温度下降。
A、正确
B、错误
第71题:《特种设备使用管理规则》(TSG08-2017)规定特种设备作业人员的主要职责之一是参加应急演练,掌握相应的应急处置技能。( )
A、正确
B、错误
第72题:《特种设备使用管理规则》(TSG08-2017)规定特种设备作业人员在作业过程中发现事故隐患或者其他不安全因素,应当立即采取紧急措施,并且按照规定的程序向特种设备安全管理人员和单位有关负责人报告。( )
A、正确
B、错误
第73题:《特种设备使用管理规则》(TSG08-2017)规定高耗能特种设备使用单位应当配备节能管理人员,负责宣传贯彻特种设备节能的法律法规。( )
A、正确
B、错误
第74题:《特种设备使用管理规则》(TSG08-2017)规定安全管理员发现特种设备事故隐患,应立即进行处理,情况紧急时,可以决定停止使用特种设备,并且及时报告本单位安全管理负责人。( )
A、正确
B、错误
第75题:《特种设备使用管理规则》(TSG08-2017)规定特种设备使用单位应当配备安全管理负责人。( )
A、正确
B、错误
第76题:《特种设备使用管理规则》(TSG08-2017)规定特种设备安全监管部门依据法定职责按照本规则的要求负责办理特种设备告知。( )
A、正确
B、错误
第77题:《特种设备使用管理规则》(TSG08-2017)规定所有特种设备均需办理使用登记。( )
A、正确
B、错误
第78题:《特种设备使用管理规则》(TSG08-2017)规定使用特种设备(不含气瓶)总量 50 台以上(含 50 台)的使用单位应设置特种设备安全管理机构。( )
A、正确
B、错误
第79题:《特种设备安全监察条例》规定:锅炉、压力容器、电梯、起重机械、客运索道、大型游乐设施、场(厂)内专用机动车辆的相关管理人员,应当按照国家有关规定经特种设备安全监督管理部门考核合格,取得国家统一格式的特种作业人员证书,方可从事相应的管理工作。( )
A、正确
B、错误
第80题:《特种设备安全监察条例》规定:特种设备的安全管理人员应当对特种设备使用状况进行经常性检查,发现问题的应当立即处理;情况紧急时,可以决定停止使用特种设备并及时报告本单位有关负责人。( )
A、正确
B、错误
第81题:某厂#3锅炉修后启动运行,密封风消失,导致#3炉运行磨煤机跳闸,失去全部燃料锅炉MFT动作。调查发现承包商检修的#1密封风机调门连杆销突然脱落,阀门关闭,导致密封风消失。确保承包商现场检修质量的有效手段有。
A、修前审核施工方案,明确质量要求;
B、修中做好过程监督,确保程序有效执行;
C、干出事后扣留施工款项;
D、修后严格验收鉴定,杜绝设备带缺陷运行。
第82题:某总公司所属煤气发电厂厂长指令锅炉班长立即对锅炉进行点火,当操作工直接将点燃的火把从锅炉点火口送入炉膛时发生爆炸事故,造成死亡2人、重伤5人、轻伤3人,锅炉设备严重损坏。事后调查发现点火装置的北供气蝶阀在点火前处于开启状态,炉膛充满燃气遇火爆燃,是导致此次爆炸事故的直接原因。以下事故分析描述符合事实的是。
A、发电厂厂长违章指挥;
B、操作工违章作业;
C、锅炉班长责任不落实;
D、发电厂安全管理责任责任不落实。
第83题:某厂#3机组负荷500MW总煤量233t/h,5台制粉系统运行;汽机调门95.5%;主汽压16.67MPa。突然跳闸,协调将运行的4台磨煤量增加。操作员再次启动#6磨煤机并加大风量暖磨。过热汽压力持续上升。此时调度命令紧急减负荷至400MW,遂切除协调将煤量减至207t/h,手动关调门至60%,之后过热器安全门启座。事后分析当时操作行为与安全门起座有关联的是。
A、#6给煤机跳闸,协调将其它运行制粉系统煤量加大;
B、运行人员解除协调,降低煤量;
C、为了减负荷,手动关调门;
D、启动#6磨,暖磨风投入过大。
第84题:《特种设备使用管理规则 》(TSG 08-2017)规定,特种设备使用单位主要义务有( )。
A、建立并且有效实施特种设备安全管理制度和高耗能特种设备节能管理制度,以及操作规程;
B、采购、使用取得许可生产(含设计、制造、安装、改造、修理,并且经检验合格的特种设备,不得采购超过设计使用年限的特种设备,禁止使用国家明令淘汰和已经报废的特种设备;
C、设置特种设备安全管理机构,配备相应的安全管理人员和作业人员,建立人员挂历台帐,开展安全与节能培训教育,保存人员培训记录;
D、办理使用登记,领取《特种设备使用登记证》,设备注销时交回使用登记证;
第85题:炉墙材料的分类主要为哪几类?()
A、耐火材料
B、保温材料
C、密封材料
D、结构材料
第86题:下列选项属于四角切圆燃烧的主要特点的是()
A、煤粉着火稳定
B、加速着火后燃料的燃尽程度
C、对于煤种的适应性强
D、炉膛结构复杂化
第87题:从燃料进入炉膛到形成灰渣,一般要经过()几个阶段。
A、烘干、干馏阶段
B、着火阶段
C、焦碳燃烧
D、燃尽阶段
第88题:给水除氧的方法有()
A、热力除氧
B、化学除氧
C、真空除氧
D、解析除氧
E、淀除氧
第89题:二次风主要起()作用
A、提供煤粉燃烧所需的氧
B、混合、强化燃烧
C、干燥煤粉
D、输送煤粉
第90题:水冷壁有哪些作用?()
A、吸收炉内高温烟气和火焰辐射热,将水加热蒸发成饱和蒸汽
B、降低炉墙温度炉墙不会被烧坏
C、有利于防止结渣和熔渣对炉墙的腐蚀
D、简化炉墙,减轻炉墙重量
第91题:回转式空气预热器的优点()
A、结构紧凑,金属消耗量少
B、传热元件允许有较大磨损
C、漏风量小,结构简单
D、体积大
第92题:钢球磨煤机的缺点有()
A、适用范围小
B、噪音大
C、低负荷运行不经济
D、投资高,金属消耗量大
第93题:下列哪些是锅炉MT的条件()
A、锅炉全炉膛熄火
B、汽包水位高高值
C、两台引风机跳闸
D、两台空预器跳闸
E、锅炉汽温高
第94题:锅炉的水冷壁是锅炉主要的(),吸收炉内高温烟气和火焰的辐射热,把水加热蒸发成()
A、发受热面
B、和蒸汽
C、过热设备
D、过热蒸汽
第95题:压力表表盘极限刻度值应为工作压力的()倍,最好选用()倍。
A、1.5~3.0
B、2.0~4
C、2.0
D、2.5
第96题:汽包的作用主要有()
A、是工质加热、蒸发、过热三个过程的链接枢纽,同时又是一个平衡容器。
B、容有大量的工质,加之自身质量,有较大的蓄热能力,锅炉变工况时起到稳定参数作用。
C、内部装有汽水分离及蒸汽净化装置,保证蒸汽品质。
D、装置测量表计及安全部件。
第97题:循环流化床锅炉物料循环系统必须具备的条件是()
A、稳定回料;
B、防止炉内烟气由回料系统窜入分离器
C、保证物料高效分离;
D、回料量应连续并可调。
第98题:烟气分析法主要包括下列哪几项?()
A、学吸收法
B、谱分析法
C、外吸收法
D、化学传感法
第99题:《中华人民共和国特种设备安全法》规定,特种设备生产、经营、使用单位( )被查封、扣押的特种设备或者其主要部件的,责令改正,处五万元以上二十万元以下罚款;情节严重的,吊销生产许可证,注销特种设备使用登记证书。
A、擅自动用
B、调换
C、转移
D、损毁
第100题:《中华人民共和国特种设备安全法》规定,特种设备生产、经营、使用单位应当按照国家有关规定配备特种设备( ),并对其进行必要的安全教育和技能培训。
A、安全管理人员
B、检测人员
C、检验人员
D、作业人员