G3锅炉水处理【新训】试卷36
第1题:产品型号为001×7的树脂表示的意义为( )。
A、强酸性苯乙烯系阴离子交换树脂;
B、强碱性苯乙烯系阴离子交换树脂;
C、强酸性苯乙烯系阳离子交换树脂;
D、强碱性苯乙烯系阳离子交换树脂
第2题:危险药品是指受光、热、空气、水或撞击等外界因素的影响,可能引起( )的药品,或具有强腐蚀性、剧毒性的药品。
A、化学反应;
B、物理反应;
C、分解反应;
D、燃烧、爆炸
第3题:向 200 克 10.4%的氯化钡溶液中滴加 200 克 9.8%的硫酸溶液,能正确表示其变化的图像的是( )。

A、
B、
C、
D、
第4题:用烧杯加热液体时,液体的高度不准超过烧杯高度的( )。
A、1/3;
B、3/4;
C、2/3;
D、1/2
第5题:对于现场液体泄漏应及时进行( )、稀释、收容、处理。
A、覆盖;
B、填埋;
C、烧毁;
D、回收
第6题:电动机着火时,应首先切断电源,然后用( )灭火。
A、水;
B、砂土;
C、泡沫灭火器;
D、干粉灭火器
第7题:当有人中毒、窒息时,施救人员必须做好自身防护,佩戴( )、安全带、救援器材并有人员在外面监护时,方准进行施救。
A、防尘口罩;
B、防毒面具;
C、正压式消防空气呼吸器;
D、防护眼镜
第8题:下面那种表述是错误的。
A、含盐量是指水中各种阴、阳离子质量浓度的总和;
B、溶解固形物是表示水中含盐量的指标,因此,溶解固形物等于含盐量;
C、溶解固形物与含盐量并不相等;
D、溶解固形物包含了胶体硅、铁铝氧化物及水溶性有机物等
第9题:某300MW机组 ,炉水pH值为8.32,按水汽质量劣化时三级处理原则,应在( )小时内恢复至相应的标准值。
A、72;
B、24;
C、8;
D、4
第10题:下图是水处理除盐除碳设备内部的什么类型的填料?( )

A、塑料圆球;
B、花环填料;
C、塑料多面空心球;
D、塑料浮球
第11题:按照《特种设备安全监察条例》规定有下列情形之一的,为较大事故:( )
A、特种设备事故造成3人以下死亡,或者10人以下重伤(包括急性工业中毒),或者1万元以上1000万元以下直接经济损失的;
B、电梯轿厢滞留人员2小时以上的;
C、起重机械整体倾覆的;
D、客运索道高空滞留人员3.5小时以上12小时以下的;
第12题:按照《特种设备安全监察条例》规定有下列情形之一的,为重大事故:( )
A、特种设备事故造成30人以上死亡,或者100人以上重伤(包括急性工业中毒),或者1亿元以上直接经济损失的;
B、600兆瓦以上锅炉爆炸的;
C、压力容器、压力管道有毒介质泄漏,造成15万人以上转移的;
D、客运索道、大型游乐设施高空滞留100人以上并且时间在24小时以上48小时以下的。
第13题:按照《特种设备安全监察条例》规定有下列情形之一的,为特别重大事故:( )
A、特种设备事故造成10人以上30人以下死亡,或者50人以上100人以下重伤(包括急性工业中毒),或者5000万元以上1亿元以下直接经济损失的;
B、600兆瓦以上锅炉因安全故障中断运行240小时以上的;
C、压力容器、压力管道有毒介质泄漏,造成5万人以上15万人以下转移的;
D、客运索道、大型游乐设施高空滞留100人以上并且时间在48小时以上的。
第14题:某厂除盐系列正常运行中,阳床流量异常大幅减少,进水压力增高,检查进水阀门无故障,清水泵运行正常无故障,流量计计量准确无故障,清水泵出口阀门无故障,其可能原因是( )。
A、清水泵进口调节阀故障;
B、阳床进口手动阀故障;
C、阳床出口阀手动阀故障;
D、清水泵出口逆止阀故障
第15题:移动式(流动式)特种设备,如果无法返回使用登记地进行定期检验的,可以在异地(指不在使用登记地)进行,检验后,使用单位应当在收到检验报告之日起( )内将检验报告(复印件)报送使用登记机关。
A、10日
B、30日
C、20日
D、15日
第16题:对锅炉发生结垢叙述不正确的是( )。
A、某些杂质进入锅炉后,在高温、高压和蒸发、浓缩的作用下,部分杂质会从炉水中析出固体物质并附着在受热面上,这种现象称之为结垢;
B、某些杂质在热力设备受热面水侧金属表面上生成的固态附着物称之为水垢;
C、有些杂质不在受热面上附着,称之为水渣;
D、水渣往往浮在汽包汽、水分界面上或沉积在锅炉下联箱底部,通常可以通过连续排污或定期排污排出锅炉。但是,如果排污不及时或排污量不足,有些水渣会随着炉水的循环,粘附在受热面上形成二次水垢
第17题:搬运和使用强酸或强碱性药品的工作人员,应熟悉药品的( )。
A、规格;
B、用途;
C、性质和操作方法;
D、安全措施
第18题:除盐系统排放的再生废液允许排放的pH值为( )。
A、<6;
B、6-7;
C、6-9;
D、9-10
第19题:下图是水处理系统中常用的何种阀门?( )

A、气动闸阀;
B、气动插板阀;
C、气动蝶阀;
D、气动截止阀
第20题:过热蒸汽压力为3.8~5.8MPa的汽包锅炉,其配套汽轮机凝结水硬度应控制在( )。
A、≤1.0μmol/L;
B、≤2.0μmol/L;
C、≤3.0μmol/L;
D、≤5.0μmol/L
第21题:使用锅炉的单位应结合本单位的( ),建立健全规章制度。
A、实际情况;
B、锅炉数量;
C、锅炉型号;
D、水质要求
第22题:额定蒸汽压力为2.5 MPa<p<3.8MPa的直流蒸汽锅炉,给水全碱度控制为( )mmol/L。
A、≥4;
B、4~16;
C、4~12;
D、≤12
第23题:采用锅外水处理,额定蒸汽压力1.0<P≤1.6MPa的自然循环蒸汽锅炉锅水中磷酸根含量应控制为( )mg/L。
A、5~10;
B、5~20;
C、10~30;
D、10~50
第24题:汽包水位( ),汽空间减少,缩短水滴飞溅蒸汽引出管口的距离,不利于水滴自然分离。
A、较低;
B、过高;
C、波动;
D、不变
第25题:锅炉的排污方法有两种即( )。
A、定期排污和不定期排污;
B、定期排污和连续排污;
C、表面排污和连续排污;
D、定时排污和定量排污
第26题:测定水中活性硅时,加入1,2,4酸的目的是( )。
A、消除磷酸盐的干扰;
B、调整水样的pH值;
C、使硅钼黄变为硅钼蓝;
D、防止沉淀
第27题:化验室所使用的一切试剂,在其瓶上必须贴有明显的与内容相符的标签,以标明试剂的( )。
A、危害性;
B、名称;
C、浓度;
D、名称及浓度
第28题:当浓酸溅到眼睛内或皮肤上时,应迅速用大量的( )。
A、清水冲洗,再以0.5%的氢氧化钠溶液清洗;
B、清水冲洗,再以0.5%的碳酸氢钠溶液清洗;
C、清水冲洗,再以5%的氢氧化钠溶液清洗;
D、清水冲洗,再以5%的碳酸氢钠溶液清洗
第29题:在《爆炸和火灾危险环境电力装置设计规范》中规定闪点在( )及以下的为易燃液体,闪点在( )以上的为可燃液体。
A、25℃;30℃;
B、25℃;35℃;
C、45℃;45℃;
D、45℃;50℃
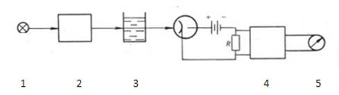
第30题:图为分光光度计的测量原理示意图,标出测定仪各部位的名称( )。

A、1-光源、2-单色器、3-吸收池、4-光电管放大器、5-显示仪表;
B、1-单色器、2-光电管放大器、3-吸收池、4-检测器、5-显示仪表;
C、1-光源、2-光电管放大器、3-吸收池、4-检测器、5-显示仪表;
D、1-单色器、2-光栅、3-吸收池、4-光电管放大器、5-显示仪表
第31题:水蒸汽腐蚀属于电化学腐蚀。( )
A、正确
B、错误
第32题:在直流锅炉中,随给水进入锅内的各种杂质,或者被蒸汽带往汽轮机,或者沉积在炉管内。( )
A、正确
B、错误
第33题:PH值是指H+离子浓度的对数。( )
A、正确
B、错误
第34题:锅炉排污率是指单位时间内锅炉的排污量占锅炉蒸发量的百分数。( )
A、正确
B、错误
第35题:最易发生水解反应的是强酸强碱盐。( )
A、正确
B、错误
第36题:锅炉冷态启动过程中,热态冲洗完全依靠锅炉排污换水,直至炉水铁小于100μg/l,给水铁小于100μg/l时,热态冲洗结束。( )
A、正确
B、错误
第37题:锅炉化学清洗废液必须经过处理,符合《GB 8978-1996 污水综合排放标准》的规定后才能排放。( )
A、正确
B、错误
第38题:《特种设备安全监察条例》规定:特种设备使用单位应当使用符合安全技术规范要求的特种设备。( )
A、正确
B、错误
第39题:额定工作压力12.7~15.8MPa的汽包锅炉(单段蒸发),锅炉水二氧化硅含量应控制≤500μg/L。( )
A、正确
B、错误
第40题:锅炉使用单位应当结合本单位的实际情况,建立健全水(介)质处理管理制度并且严格执行,确保水(介)质的质量符合要求。( )
A、正确
B、错误
第41题:试管加热时应把试管口朝向自己,刚加热过的玻璃仪器不可接触皮肤及冷水。( )
A、正确
B、错误
第42题:汽水分离装置能减少蒸汽带水,也能减少溶解携带,所以高压和超高压锅炉汽包内有汽水分离器装置就足够。( )
A、正确
B、错误
第43题:创伤急救的原则是先抢救,后固定,再搬运,并注意采取措施,防止伤情加重或污染。( )
A、正确
B、错误
第44题:火力发电厂水处理中,常用1um过滤精度的微滤器作为电除盐设备的保安过滤器。( )
A、正确
B、错误
第45题:碱是指电离时产生的阴离子都是氢氧根离子的一类化合物。( )
A、正确
B、错误
第46题:化学反应达到平衡时,反应物与生成物浓度不再变化了,说明反应停止了。( )
A、正确
B、错误
第47题:水是一种极性分子,是一种很好的极性溶剂,能溶解许多物质。( )
A、正确
B、错误
第48题:《特种设备使用管理规则》(TSG08-2017)规定所有特种设备均需办理使用登记。( )
A、正确
B、错误
第49题:《特种设备使用管理规则》(TSG08-2017)规定特种设备安全监管部门依据法定职责按照本规则的要求负责办理特种设备告知。( )
A、正确
B、错误
第50题:《特种设备使用管理规则》(TSG08-2017)规定国家市场监管总局对全国特种设备使用安全、高耗能特种设备节能的监督管理工作进行监督和指导。( )
A、正确
B、错误
第51题:《特种设备使用管理规则》(TSG08-2017)规定特种设备使用单位承担特种设备使用安全与节能主体责任。( )
A、正确
B、错误
第52题:《特种设备使用管理规则》(TSG08-2017)替代了TSG R5001—2005《气瓶使用登记管理规则》。( )
A、正确
B、错误
第53题:当饱和蒸汽品质较好而过热蒸汽品质不良时,表明蒸汽在减温器内受到了污染。( )
A、正确
B、错误
第54题:采用锅外水处理的额定蒸发量为10t/h的自然循环蒸汽锅炉,应根据受热面的氧腐蚀程度,决定是否采取给水除氧措施。( )
A、正确
B、错误
第55题:相对碱度是指炉水的酚酞碱度与炉水中溶解固形物含量的比值。( )
A、正确
B、错误
第56题:额定蒸发量为5t/h,且额定蒸汽压力为1.0MPa的自然循环蒸汽锅炉可采用单纯锅内加药处理方式。( )
A、正确
B、错误
第57题:给水是指送进锅炉的水。主要由汽轮机的凝结水、补给水、辅机冷却水、生产返回水和各种热力设备的疏水等组成。( )
A、正确
B、错误
第58题:在电化学腐蚀中,如发生极化,就会加速腐蚀的进行。( )
A、正确
B、错误
第59题:阴床正常运行中监督的项目一般是出水的电导率和含硅量。( )
A、正确
B、错误
第60题:离子交换器运行时,离子交换速度是指离子间反应的速度。( )
A、正确
B、错误
第61题:工业锅炉的基本工作参数包括蒸发量、压力、温度。( )
A、正确
B、错误
第62题:如果锅炉没有水处理措施,可以采用定期化学清洗的方法取代。( )
A、正确
B、错误
第63题:对锅炉仅进行碱洗(煮)时,不需要进行清洗过程的监督检验。( )
A、正确
B、错误
第64题:万一发生化学品泄漏事故,可用防毒面具、防毒口罩和捂湿毛巾等方法防止通过呼吸道造成伤害。( )
A、正确
B、错误
第65题:当被烧伤时,正确的急救方法应该是以最快的速度用冷水冲洗烧伤部位。( ?)
A、正确
B、错误
第66题:地下或半地下的酸碱罐的顶部可以站人但应有围栏及明显标志。?( )
A、正确
B、错误
第67题:电路或电器着火时,使用二氧化碳灭火器灭火。( )
A、正确
B、错误
第68题:禁止用口尝和正对瓶口用鼻嗅的方法来鉴别性质不明的药品,可以用手在容器上轻轻扇动,在稍远的地方去嗅发散出来的气味。( )
A、正确
B、错误
第69题:高浓度大量吸入氨水可引起急性中毒,使用氨水要戴口罩或瞬间屏气,或在通风柜内进行。( )
A、正确
B、错误
第70题:当浓酸溅到眼睛内或皮肤上时,应迅速用0.5%的碳酸氢钠溶液清洗,再以大量的清水冲洗。经过上述紧急处理后,应立即送医务室急救。( )
A、正确
B、错误
第71题:配制热的浓碱液时,必须在通风良好的地点或通风柜内进行。溶解的速度要慢,并经常以木棒搅拌。( )
A、正确
B、错误
第72题:离子交换器再生过程中反洗的目的是松动树脂层和洗去树脂层中破碎的颗粒和表面的悬浮物。( )
A、正确
B、错误
第73题:摩尔是指每升溶液中所含有物质的摩尔数。( )
A、正确
B、错误
第74题:能使石蕊试纸显红色的物质都属于酸。( )
A、正确
B、错误
第75题:一般顺流再生固定床离子交换器,交换剂的装填高度应适当, 通常应留有40%~60%的空间作为反洗膨胀高度。( )
A、正确
B、错误
第76题:当水冷壁管内的沉积物量或锅炉化学清洗的间隔时间超过极限值时,应安排化学清洗。( )
A、正确
B、错误
第77题:给水采用锅炉外化学处理时,交换器出水的水质也就是锅炉给水水质。( )
A、正确
B、错误
第78题:在锅炉给水系统中发生的腐蚀都属于电化学腐蚀。( )
A、正确
B、错误
第79题:EDI设备(即电去离子设备)是电渗析与离子交换树脂除盐有机结合形成的新型膜分离技术。 ( )
A、正确
B、错误
第80题:用EDI电去离子设备制水需酸、碱化学药品再生。( )
A、正确
B、错误
第81题:天然水中杂质的种类很多,其中对锅炉有危害的杂质主要有( )。
A、悬浮物;
B、胶体物质;
C、溶解物质;
D、溶解气体
第82题:天然水中的杂质按照颗粒大小可分三类即悬浮物、胶体和( )。
A、溶解电解质;
B、溶解气体;
C、溶解的液体;
D、溶解固形物
第83题:在水、汽监督中,发现水质异常,应按以下( )步骤处理?
A、检查所取的样品是否正确无误;
B、检查所用仪器、试剂、分析方法等是否完全正确;
C、检査表计及操作是否准确;
D、立即做水质处理
第84题:锅炉水处理的主要任务是( )。
A、防止锅炉结垢;
B、防止锅炉腐蚀;
C、减少排污;
D、保证蒸汽品质;
E、化学清洗
第85题:正确进行水汽取样应注意( )。
A、取样设备安装合理;
B、正确保存样品,防止已取得的样品被污染;
C、取样前,调整取样流量在500ml/min左右;
D、取样时,应冲洗取样管,并将取样瓶冲洗干净
第86题:化验员在开启0.2mol/L硫酸溶液时,由于磨口塞与瓶口粘连,用力旋转,不慎将瓶颈拧断,左手食指一根筋断裂,不能自由弯曲,手术后治愈。造成此次人身伤害的原因是( )。
A、试剂保管不当;
B、用力过大;
C、磨口瓶塞扭不开时,未按操作流程执行(如用木棒敲一敲、加热等方法);
D、自我防范意识差
第87题:( )和( )有权对于违反《中华人民共和国特种设备安全法》规定的,向负责特种设备安全监督管理的部门和有关部门举报。
A、任何单位
B、操作人员
C、管理人员
D、任何个人
第88题:《中华人民共和国特种设备安全法》规定,使用单位使用未经定期检验或者检验不合格的特种设备的责令停止使用有关特种设备,处( )以上( )以下罚款。
A、3万元
B、1万元
C、30万元
D、10万元
第89题:《中华人民共和国特种设备安全法》第七条规定,特种设备生产、经营、使用单位应当遵守本法和其他有关法律、法规,建立、健全特种设备( )和( )责任制度,加强特种设备安全和节能管理,确保特种设备生产、经营、使用安全,符合节能要求。
A、安全
B、岗位管理制度
C、节能
D、能效
第90题:某厂在编写炉内化学运行规程时,明确了要求增加锅炉排污量的条件。请指出当遇到下列哪些情况,应加强锅炉排污。 ( )
A、锅炉刚启动,未投入正常运行前;
B、炉水浑浊或质量超标;
C、蒸汽质量恶化;
D、给水水质超标
第91题:小王使用微量硅分析仪检测混床出水二氧化硅,其配制“倒加药”溶液的步骤为:取100mLⅰ级试剂水注入塑料杯中,先加入2mL1-氨基-2-萘酚-4-磺酸溶液,摇匀,再加入3mL酒石酸溶液,摇匀,最后加入3mL酸性钼酸铵溶液,摇匀备用。以下关于“倒加药法”的作用,表述错误的是( )。
A、校正仪器的零点;
B、消除试剂的颜色影响,减少试验误差;
C、校正仪器的上、下标;
D、清洗光电比色杯
第92题:下列物质中不全部是弱电解质的是( )。
A、硝酸、氨水、酒精;
B、铜、氨水、酒精;
C、醋酸、氨水、碳酸;
D、醋酸、氨水、苯
第93题:下列反应中属于氧化-还原反应的是( )。
A、2KMnO4=K2MnO4+MnO2+O2↑;
B、Cl2+2NaI=2NaCl+I2;
C、BaCl2+Na2SO4=BaSO4↓+2NaCl;
D、3CO+Fe2O3=2Fe+3CO2
第94题:下列属于碱的物质是( )。
A、氨水;
B、纯碱;
C、碱式硫酸铝;
D、烧碱
第95题:根据盐的组成不同,可把盐分为( )等。
A、正盐;
B、酸式盐;
C、碱式盐;
D、复盐
第96题:锅筒内部有( )装置。
A、蒸汽净化;
B、给水分配;
C、连续排污;
D、加药
第97题:下述( )的方法不能用来减小测定过程中的偶然误差。
A、对照试验;
B、空白试验;
C、仪器校验;
D、增加平行试验的次数
第98题:影响化学反应速度的因素有( )。
A、浓度;
B、压力;
C、温度;
D、催化剂
第99题:影响化学反应平衡的因素有( )。
A、浓度;
B、压力;
C、温度;
D、催化剂
第100题:对于难溶物质的溶解平衡:AmBn ? mAn+ + nBm-,下列说法正确的是( )。
A、当溶液中[An+]m[Bm-]n
B、当溶液中[An+]m[Bm-]n>KSP时,为不饱和溶液,没有沉淀析出,若已有沉淀存在,则会溶解直至离子浓度之积达到KSP;
C、当溶液中[An+]m[Bm-]n>KSP时,为过饱和溶液,应有沉淀析出,直至离子浓度之积达KSP;